Microchip Technology MIC28514 Voltage Regulator

Microchip Technology MIC28514 Voltage Regulator is an adaptive on-time synchronous DC/DC buck regulator with an external soft-start feature. This regulator is capable of providing up to 5A output current from an input voltage supply range of 4.5V to 75V. The MIC28514 Regulator operates at a temperature ranging between -40ºC to +125ºC and switching frequency ranging from 270kHz to 800kHz. The MIC28514 Regulator incorporates hyper-speed control architecture that allows for an ultra-fast transient response while reducing the output capacitance. This adaptive on-time control architecture combines the advantages of fixed-frequency operation and fast transient response in a single device.

The Microchip Technology MIC28514 Voltage Regulator is available in a 38-pin 6mm x 6mm PQFN pacakge with a -40°C to +125°C operating range.

Features

  • Hyperspeed control architecture enables:
    • High input to output voltage conversion ratio capability (VIN=75V and VOUT=0.6V)
    • Small output capacitance
  • 0.6V to 32V adjustable output voltage
  • Zero-ESR to high-ESR output capacitors
  • Internal compensation
  • Built-in 5V regulator for single-supply operation
  • Auxiliary bootstrap LDO for improving system efficiency
  • Internal bootstrap diode
  • Adjustable soft start time
  • Programmable current limit
  • "Hiccup" mode short-circuit protection
  • Thermal shutdown
  • Supports safe start-up into a pre-biased output
  • Available in 32-pin, 6mm x 6mm VQFN package

Applications

  • Distributed power systems
  • Communications/networking infrastructure
  • Industrial power supplies
  • Solar energy
     

Typical Application Circuit

Application Circuit Diagram - Microchip Technology MIC28514 Voltage Regulator

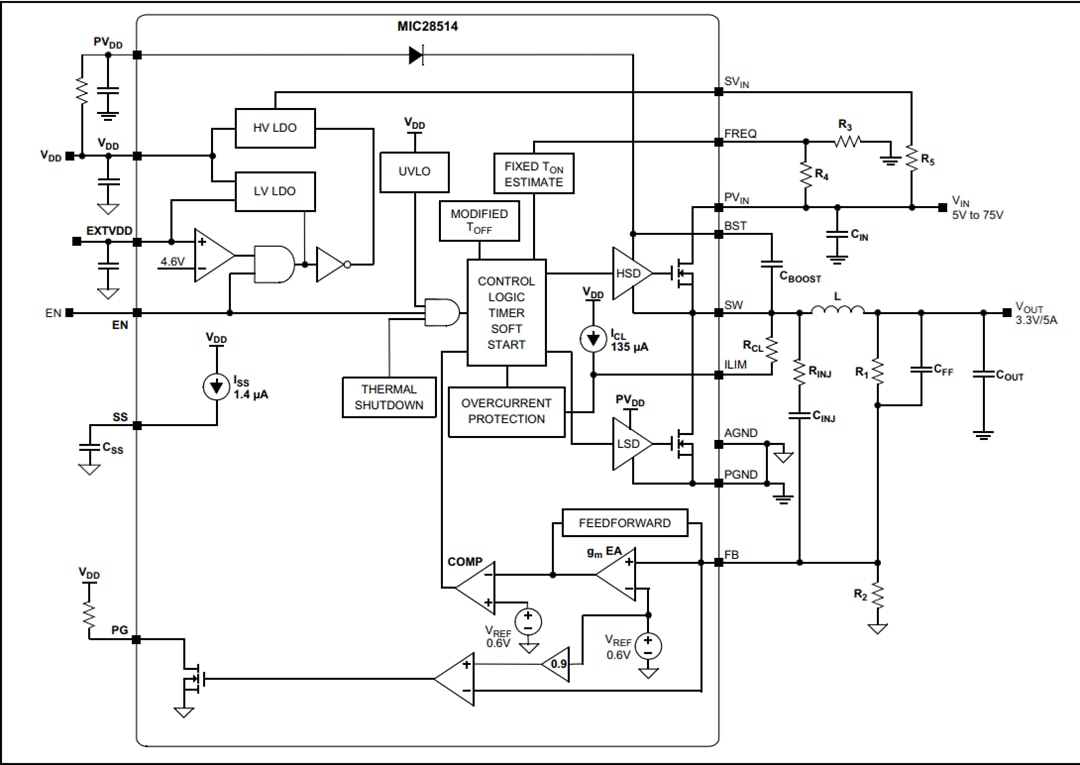
Block Diagram

Microchip Technology MIC28514 Voltage Regulator
Published: 2017-05-29 | Updated: 2022-03-11