MACOM MAAD-011048 Digital Attenuator

MACOM MAAD-011048 Digital Attenuator is a wide band, 5-bit, 31dB attenuation ranged, and 1dB LSB step MMIC digital attenuator. This digital attenuator is controlled with either a SPI-compatible serial interface or a 5-bit parallel word. The serial control interface (SERIN, CLK, LE, and SEROUT) is compatible with the SPI protocol. The SEROUT is the SERIN delayed by 6-clock cycles, which can be used in daisy-chain operation. The MAAD-011048 digital attenuator integrates a CMOS-compatible driver and is compatible with 1.8V CMOS logic. This attenuator features a Parallel or Serial (P/S) control mode option and offers low DC power consumption. The MAAD-011048 digital attenuator comes in a lead-free 3mm, 20 lead surface mount laminate package. This device is ideally suited where high accuracy, very low power consumption, and low intermodulation products are required.

Features

  • 5-bit, 1dB LSB, and 31dB attenuation range
  • Insertion loss:
    • 2.0dB @ 26.5GHz
    • 3.1dB @ 50GHz
  • Input P0.1 dB is 26dBm @ 40GHz
  • Integrated CMOS-compatible driver
  • Compatible with 1.8V CMOS logic
  • Parallel or Serial (P/S) control
  • Low DC power consumption
  • Lead-Free 3mm 20-lead package
  • RoHS-compliant

Applications

  • Aerospace and defense
  • IMS

Functional Schematic

Schematic - MACOM MAAD-011048 Digital Attenuator

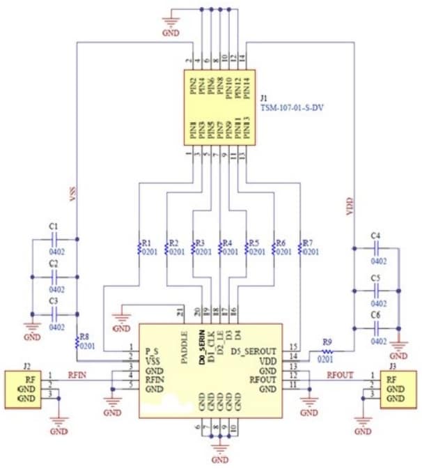
Application Schematic

Schematic - MACOM MAAD-011048 Digital Attenuator
Published: 2024-02-21 | Updated: 2024-04-12