Luminus Devices CTM-9 & CTM-14 RGBW Tunable LED Spot Modules

Luminus Devices CTM-9 and CTM-14 RGBW Tunable LED Spot Modules to feature four-channel Red, Green, Blue, and Warm White MP-1616 XNOVA Cube LEDs on metal PC boards. With all four channels using the same InGaN blue die inside, the phosphor converted red, green, and white LEDs create consistent InGaN performance and uniformity over wide temperature, current, and time ranges. This feature ensures smooth spectrums and uniform luminaries with predictable output. The high lumen density produced by these 9mm and 14mm Light Emitting Surface (LES) diameter modules makes them ideal for various directional lighting applications.

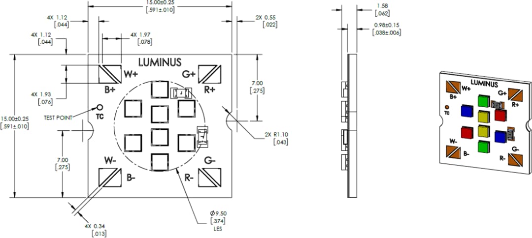
The Luminus Devices CTM-9 RGBW Tunable LED Spot Module features eight LEDs on a 12mm x 15mm board. The CTM-14 Module features sixteen LEDs on a 20mm x 24mm board.

Features

  • Four-channel Red, Green, Blue, and Warm White MP-1616 XNOVA Cube LEDs on a metal PC board
  • High lumen density for directional lighting
  • Enables system beam angles from 10° to 40°
  • Phosphor converted red and green technology ensures consistency with blue and white LEDs over a wide temperature range and current range
  • Specified hot performance and 100% factory tested at Tj=85°C

Applications

  • Human-centric lighting
  • Hospitality, hotel, and restaurant lighting
  • Residential lighting
  • Indoor and outdoor decorative lighting
  • Circadian lighting in hospitals, offices, or schools
  • Decorative architectural lighting

Specifications

  • CTM-9-RGBW-12-TW01
    • 12mm x 15mm board size
    • Typical 2W per channel, 9.5mm LES
    • 200mA forward current per channel
    • 12V nominal voltage per channel
    • 13V maximum voltage per channel
    • 250mA maximum forward current per channel
    • 3.25W maximum input power per channel
    • 1.8K/W typical thermal resistance
    • -40°C +85°C ambient operating temperature
  • CTM-14-RGBW-24-TW01
    • 20mm x 24mm board size
    • Typical 4W per channel, 14.5mm LES
    • 200mA forward current per channel
    • 24V nominal voltage per channel
    • 26V maximum voltage per channel
    • 250mA maximum forward current per channel
    • 6.5W maximum input power per channel
    • 0.67K/W typical thermal resistance
    • -40°C +85°C ambient operating temperature

CTM-9 Package Dimensions

Mechanical Drawing - Luminus Devices CTM-9 & CTM-14 RGBW Tunable LED Spot Modules

CTM-14 Package Dimensions

Luminus Devices CTM-9 & CTM-14 RGBW Tunable LED Spot Modules
Published: 2022-01-31 | Updated: 2022-03-11