Infineon Technologies TLE8718SA Smart 18-Channel Lowside Switches
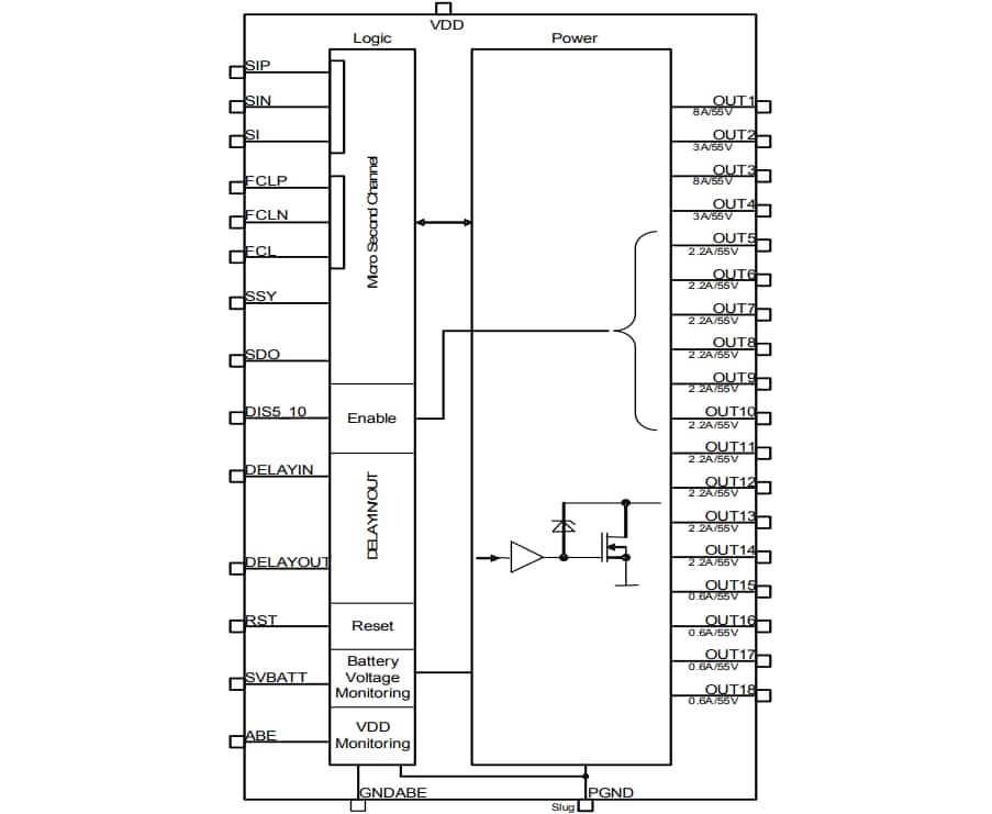
Infineon Technologies TLE8718SA Smart 18-Channel Lowside Switches are advanced low-side switches designed for Powertrain applications. The TLE8718SA ICs are equipped with the Micro Second Channel (MSC) communication interface for High Speed control and diagnosis. All channels are protected against over-current/temperature and enhanced with an active clamping circuitry for driving inductive loads. Load status detection is possible over the MSC for: Short to GND (SCG), Open Load (OL), and Short to Battery (SCB).Features
- 23MHz Micro Second Channel
- 2x Low-Voltage operation channels (Main Relay)
- Active Clamping
- Supply Voltage Monitoring
- Bi-Directional Reset-Pin (ABE)
- Dedicated Delayed Disable for Injectors (DIS5_10)
- Diagnosis for SCG, OL, and SCB
- Selectable Over-Current Protection (I-limit/switch-off)
- Short Circuit Protection (up to 36V)
- Battery Over-Voltage Protection
- Over-Temperature Protection
- Over-Temperature Warning
- Electrostatic Discharge (ESD) Protection
- Low Quiescent Current Mode (Standby)
- Green Product (RoHS compliant)
- AEC Qualified
Applications
- Engine Management
- Driving Resistive Loads (Oxigen Sensor Heater, Lamps)
- Driving Inductive Loads (Solenoids, Injectors, Valves, Relays)
- Driving LEDs
- Main/Starter Relay
- Industrial Applications
Block Diagram
Published: 2018-06-19
| Updated: 2022-08-08
