Infineon Technologies DF4-19MR20W3M1HF_B11 EasyPACK™ Module
Infineon Technologies DF4-19MR20W3M1HF_B11 EasyPACK™ Module is configured with the operation of the CoolSiC™ trench MOSFETs and PressFIT/NTC. The DF4-19MR20W3M1HF_B11 offers high current density and a low inductive design. The modules implement PressFIT contact technology and integrate an NTC temperature sensor.The Infineon DF4-19MR20W3M1HF_B11 EasyPACK Module is qualified for industrial and solar applications.
Features
- Electrical features
- VDSS = 2000V
- IDN = 60A / IDRM = 120A
- High current density
- Low inductive design
- Mechanical features
- Rugged mounting due to integrated mounting clamps
- PressFIT contact technology
- Integrated NTC temperature sensor
Applications
- Qualified for industrial applications according to the relevant tests of IEC 60747, 60749 and 60068
- Solar applications
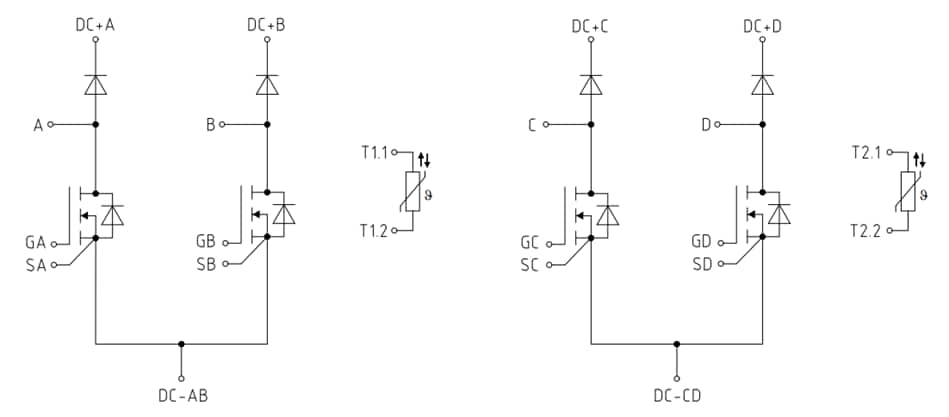
Circuit Diagram
Package Outline
Published: 2022-10-20
| Updated: 2022-12-29
