FTDI Chip FTx232H Dual/Quad Hi-Speed USB ICs

FTDI FTx232H Dual/Quad Hi-Speed USB ICs are 5th generation USB devices with a USB 2.0 high speed (480Mb/s) to UART/MPSSE or UART/FIFO ICs. The FTDI FTx232H-56Q are single-chip USB to dual or quad serial ports with various configurations. The entire USB protocol is handled on the chip with no USB-specific firmware programming required.

FT2232H Dual High-Speed USB ICs

FT2232H-56Q Dual Hi-Speed USB ICs have two multi-protocol synchronous serial engines (MPSSEs). These MPSSEs allow communication using JTAG, I2C, and SPI on two channels simultaneously. The FT2232H is available in Pb-free (RoHS compliant) 64-pin LQFP and QFN packages.

FT4232H Quad High-Speed USB ICs

FT4232H Quad Hi-Speed USB ICs can be configured in various industry-standard serial or parallel interfaces. The FT4232H features 4 UARTs. Two have an option to configure an MPSSE engine independently. This MPSSE allows the FT4232H to operate as two UART/Bit-Bang ports plus two MPSSE engines. The MPSSE can be used to emulate JTAG, SPI, I2C, Bit-bang, or other synchronous serial modes. The FT4232H is available in Pb-free (RoHS compliant) 64-pin LQFP/QFN and 56-pin VQFN packages.

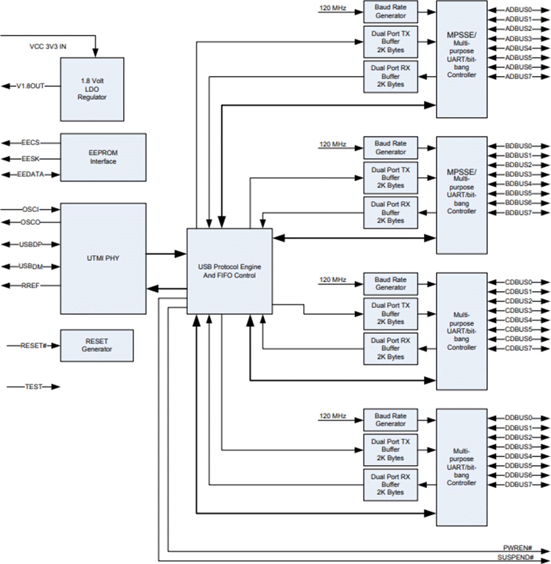
FT2232H Block Diagram

Block Diagram - FTDI Chip FTx232H Dual/Quad Hi-Speed USB ICs

FT4232H Block Diagram

Block Diagram - FTDI Chip FTx232H Dual/Quad Hi-Speed USB ICs
Published: 2016-06-22 | Updated: 2024-05-28