Everspin Technologies MR4A08B & MR4A16B 16Mb Parallel MRAMs
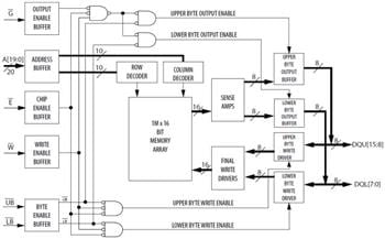
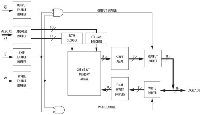
Everspin Technologies MR4A08B and MR4A16B 16Mb Parallel MRAM devices provide SRAM compatible 35ns read/write timing with unlimited endurance. The Everspin Technologies MR4A08B is a 16,777,216-bit Magnetoresistive Random Access Memory (MRAM) device organized as 2,097,152 words of 8 bits.The Everspin Technologies MR4A16B is organized as 1,048,576 words of 16 bits. For both MRAM devices, data is non-volatile for greater than 20-years. Data is automatically protected on power loss by low voltage inhibit circuitry to prevent writes with voltage out of specification.
The MR4A08B is available in small footprint 400-mil, 44-lead plastic small-outline TSOP type-II package or 10mm x 10mm, 48pin ball grid array (BGA) package with 0.75mm ball centers. The MR4A16B is available in small footprint 48pin ball grid array (BGA) package and a 54-pin Thin Small Outline Package (TSOPII).
Both products provide highly reliable data storage over a wide range of temperatures. They are offered with commercial temperature (0 to 70°C), industrial temperature (-40 to 85°C), and automotive temperature (-40 to 125°C) range options.
Features
- +3.3V power supply
- Fast 35ns read/write cycle
- SRAM compatible timing
- Unlimited read and write endurance
- Data always non-volatile for >20 years at a temperature
- RoHS-compliant small footprint BGA and TSOP package
| Part Number | Datasheet | Series | Description |
|---|---|---|---|
| MR4A16BMA35 | ![]() |
MR4A16B | MRAM 16Mb 3.3V 35ns 1Mx16 Parallel MRAM |
| MR4A16BUYS45R | ![]() |
MR4A16B | MRAM 16Mb 3.3V 45ns 1Mx16 Parallel MRAM |
| MR4A08BYS35 | ![]() |
MR4A08B | MRAM 16Mb 3.3V 35ns 2Mx8 Parallel MRAM |
| MR4A08BCMA35 | ![]() |
MR4A08B | MRAM 16MB 3.3V 35ns 2Mx8 Parallel MRAM |
| MR4A08BCYS35 | ![]() |
MR4A08B | MRAM 16Mb 3.3V 35ns 2Mx8 Parallel MRAM |
| MR4A16BCMA35 | ![]() |
MR4A16B | MRAM 16Mb 3.3V 35ns 1Mx16 Parallel MRAM |
| MR4A16BUYS45 | ![]() |
MR4A16B | MRAM 16Mb 3.3V 45ns 1Mx16 Parallel MRAM |
| MR4A08BUYS45 | ![]() |
MR4A08B | MRAM 16Mb 3.3V 45ns 2Mx8 Parallel MRAM |
| MR4A16BCYS35 | ![]() |
MR4A16B | MRAM 16Mb 3.3V 35ns 1Mx16 Parallel MRAM |
| MR4A16BCYS35R | ![]() |
MR4A16B | MRAM 16Mb 3.3V 35ns 1Mx16 Parallel MRAM |

