Analog Devices Inc. EV-ADF4378SD1Z Evaluation Kit

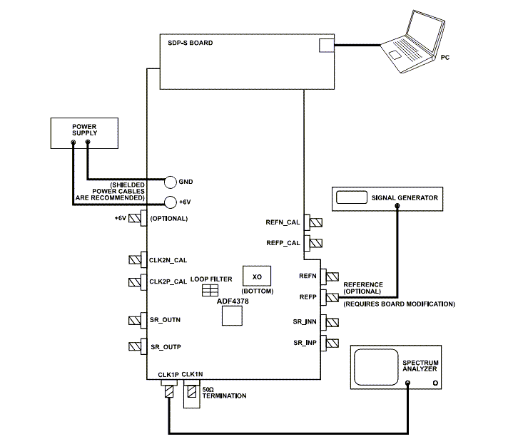
Analog Devices EV-ADF4378SD1Z Evaluation Kit allows users to evaluate the ADF4378 frequency synthesizer with an integrated voltage-controlled oscillator (VCO) for phase-locked loops (PLLs). The EV-ADF4378SD1Z includes the ADF4378 frequency synthesizer with an integrated VCO, a USB interface, power supply connectors, propagation delay calibration paths, an on-board reference oscillator, and Subminiature Version A (SMA) connectors. The kit outputs are AC-coupled with 50Ω transmission lines, ideal for the outputs to drive 50Ω impedance instruments. The EV-ADF4378SD1Z requires an SDP-S Controller Board (not supplied with the kit). The SDP-S provides software programming of the ADI EV-ADF4378SD1Z with ACE software.

Features

  • Self-contained board, including ADF4378 frequency synthesizer with integrated VCO, loop filter, USB interface, onboard reference oscillator, propagation delay calibration paths, and voltage regulators
  • Windows®-based software allows control of synthesizer functions from a PC
  • Externally powered by 6V

Required Equipment

  • Windows-based PC with USB port for evaluation software
  • System demonstration platform, serial only (SDP-S) EVAL-SDPCS1Z controller board
  • Power supply (6V)
  • 50Ω terminators
  • Spectrum analyzer or phase noise analyzer, oscilloscope, or digital communication analyzer (DCA)
  • Low noise REFIN source (optional)
  • SYSREF clock

Software

Setup Diagram

Application Circuit Diagram - Analog Devices Inc. EV-ADF4378SD1Z Evaluation Kit

Layout

Analog Devices Inc. EV-ADF4378SD1Z Evaluation Kit
Published: 2024-05-07 | Updated: 2024-06-24