ECS ECS-100x Clock Oscillators

ECS ECS-100x Clock Oscillators are fully compatible with TTL circuitry. These oscillators come in a metal shielding package with pin 7 case ground that acts as shielding to minimize radiation. The ECS-100x oscillators operate at 3.3V optional supply voltage with a wide frequency range. These oscillators operate at a wide frequency range of 1MHz to 150MHz and come in a industry-standard footprint.

Features

  • 10 TTL output load
  • Low cost
  • Wide frequency range of 1MHz to 150MHz
  • 0°C to 70°C operating temperature range
  • Industry-standard footprint
  • Resistance weld package
  • 3.3V operation (optional)

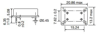
Package Dimensions (mm)

Mechanical Drawing - ECS ECS-100x Clock Oscillators
Published: 2021-06-23 | Updated: 2022-03-11