Diodes Incorporated LXB0104Q Automotive Bi-Directional Level Shifters
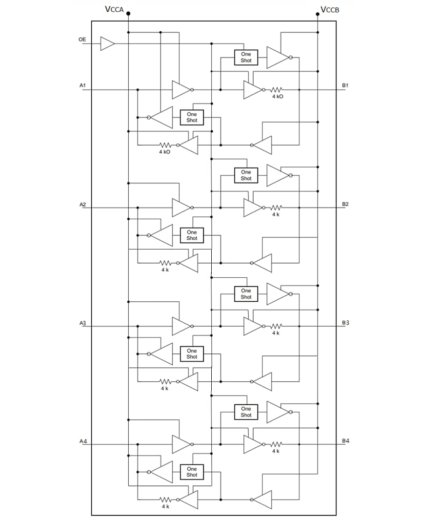
Diodes Incorporated LXB0104Q Automotive 4-Bit Bi-Directional Level Shifters combines a buffered architecture and edge rate accelerators (one shots) to enhance the speed up to 100Mbps at 3.3V to 5.0V translation. The LXB0104Q is a universal level translator with port A operating from 1.2V to 3.6V (VCCA) and port B from 1.65V to 5.5V (VCCB). The level translating enables universal low-voltage bi-directional translation between any of the 1.2V, 1.5V, 1.8V, 2.5V, 3.3V, and 5V voltage nodes.The Diodes Inc. LXB0104Q Bi-Directional Level Shifters are available in a TSSOP-14 and a 1.7mm x 2.0mm x 0.55mm U-QFN1720-12 (Type CJ) package, where U-QFN1720-12 (Type CJ). The package size is ideal for small, portable electronic devices, push-pull applications, and environments with limited space. The operation temperature is defined from -40°C to +125°C.
Features
- Bi-directional voltage translation for push-pull applications
- AEC-Q100 Grade 1
- Specified from -40°C to +125°C
- Translation up and down, across the full temperature range
- Max data rate ≤110Mbps, CL = 15pF, 3.3V to 5.0V
- Max data rate ≤65Mbps, CL = 15pF, 1.8V to 3.3V
- Max data rate ≤30Mbps, CL = 15pF, 1.2V to 1.8V
- IOFF circuitry provides partial-power-down mode operation
- OE pin supports high impedance between ports
- Auto direction, no control pin required
- ESD protection exceeds JESD 22
- 7000V HBM (Port B), 3000V HBM (Port A)
- 1500V CDM (C101)
- Latchup exceeds 100mA per JESD 17
- Lead-free finish; RoHS compliant
- Halogen and antimony-free “Green” device
- For automotive applications requiring specific change control
Applications
- GPIO, SPI, SDIO, UART
- Automotive digital clusters
- Automotive infotainments
- Automotive ADAS
- Automotive telematics
Block Diagram
Pin Assignments
Published: 2025-10-21
| Updated: 2025-11-05
