Diodes Incorporated AP7375Q Automotive Ultra-Low Drop-Out Regulators
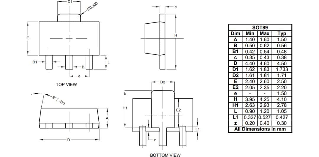
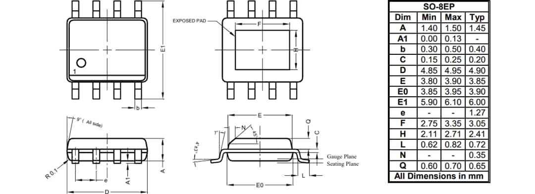
Diodes Incorporated AP7375Q Automotive Ultra-Low Drop-Out (UDLO) Regulators are wide input voltage range, low quiescent current devices designed to provide 300mA load current. The AP7375Q regulators offer an EN pin to enable and disable the ULDO output. The EN pin can take an input voltage of up to 45V. These regulators offer a very fast response against line voltage and load current transients and ensure no overshoot voltage occurs during start-up and short-circuit recovery. The regulators also feature integrated short-circuit and thermal-shutdown protection.The AP7375Q ULDO Regulators are offered in 1.8V, 3.0V, 3.3V, and 5.0V fixed output voltage variants and are available in the SOT89 and SO-8EP packages. All variants of the AP7375Q are suitable for automotive applications requiring specific change control. The regulators AEC-Q100 qualified, PPAP capable, and manufactured in IATF 16949 certified facilities.
Features
- Wide 3V to 45V input voltage range
- Maximum 300mA output current
- Low Dropout Voltage:
- VDROP = 35mV @ IOUT = 10mA (Typical)
- VDROP = 350mV @ IOUT = 100mA (Typical)
- Low 2.1μA (typical) quiescent current
- 1.8V, 3.0V, 3.3V, and 5.0V fixed output voltages options
- High ±2% output voltage accuracy
- High 85dB PSRR @ 1kHz
- Excellent line and load regulation
- Thermal shutdown function
- Short-current protection function
- 40ºC to +125ºC operating temperature range
- SOT89 and SO-8EP package options
- Lead-free and RoHS-compliant
- Halogen- and antimony-free; "Green" device
- AEC-Q100 qualified and PPAP capable
Applications
- Powering MCUs and CAN/LIN transceivers
- Automotive head units
- EV and HEV battery management systems
- Body control modules
- Transmission control units (TCUs)
Typical Application Circuit
Block Diagram
Package Outline (SOT89)
Package Outline (SO-8EP)
Published: 2022-08-05
| Updated: 2024-06-25
