Digi Connect ME® Device Server Modules

Digi International Connect ME® Device Server Modules deliver complete and versatile embedded IPv6-ready network connectivity and strong standards-based encryption services. These Digi International server modules have plug-and-play functionality and professional development tools for custom applications. The ME server modules are built on leading Digi 32-bit NET+ARM technology. These modules are pin-compatible and interchangeable with the Digi Connect Wi-ME and provide a direct migration path to a wireless solution. The ME server modules operate at -40°C to +85°C. These server modules feature an integrated 10/100 Mbit Ethernet interface and strong enterprise-grade network security.

The ME server modules include a highly integrated low-emission design and high-speed serial interface. These server modules are ideal for retail systems, security/access control, medical devices, and building/industrial automation.

Features

  • Integrated 10/100 Mbit Ethernet interface
  • Strong enterprise-grade network security
  • Common family footprint for wired and wireless modules
  • High-speed serial interface (UART)
  • Compact and secure 32-bit device server modules
  • Complete family of pin-compatible module solutions
  • Highly integrated low-emission design (FCC Class B)
  • Extended and industrial operating temperature
  • Digi processor and WLAN technology for true long-term availability

Specifications

  • 32-bit Digi NS7520 processor
  • 55MHz processor speed
  • -40°C to +85°C operating temperature range
  • -50°C to +125°C storage temperature range
  • 5% to 90% non-condensing relative humidity

Applications

  • Retail systems
  • Security/access control
  • Medical devices
  • Building/industrial automation

Block Diagram

Block Diagram - Digi Connect ME® Device Server Modules

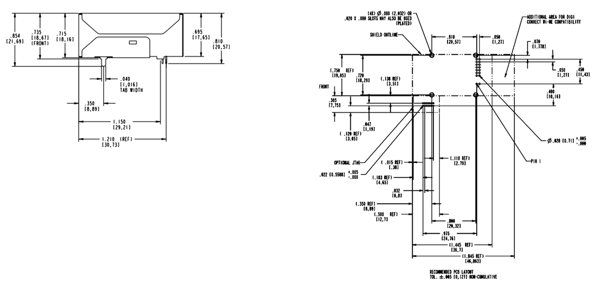
Mechanical Diagram

Mechanical Drawing - Digi Connect ME® Device Server Modules
Published: 2019-12-11 | Updated: 2024-02-29