CUI Inc Novum® NQB-N DC-DC Converter
CUI Novum® NQB-N DC-DC Converters are quarter-brick fully regulated bus converters housed in an industry standard 5-pin package. The fully regulated converters use power-optimizing firmware to maximize efficiency and provide peak performance. Typical efficiency at half load is 96.4%. The NQB-N modules are ideal for small space applications with wide-ranging loading conditions. The series is suitable for next-generation ICT (Information and Communication Technology) equipment. These dc-dc converters are pin and function compatible with Architects of Modern Power™ (AMP Group) product standards.Features
- Pin and function compatible with Architects of Modern Power™ product standards
- Industry standard quarter-brick 57.9 x 36.8 x 11.3mm (2.28 x 1.45 x 0.445in)
- Industry-leading power density for telecom and datacom 127~141W / sq. in
- Isolated topology
- 96.4% High efficiency (typical) at half load, 12Vout
- High power density
- Fast transient response
- Fully regulated advanced bus converter from 36~75Vin
- 2250VDC input to output isolation
- Fast feed-forward regulation to manage line transients
- Optional baseplate for high-temperature applications
- Droop load sharing with 10% current share accuracy
- 2.9 million hours MTBF
- ISO 9001/14001 certified supplier
- Industry standard footprint
- High conversion efficiency
- Wide range of input and output characteristics available
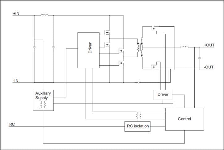
Application Circuit Diagram
View Results ( 2 ) Page
| Part Number | Datasheet | Description | Isolation Voltage |
|---|---|---|---|
| NQB-420NWA-AN | ![]() |
DC/DC Converters - Through Hole Novum IBC, QB, 12 Vdc out, 420 W, 36~75 Vdc in, TH, open frame | 2.25 kV |
| NQB-468NMA-ANH | ![]() |
DC/DC Converters - Through Hole Novum IBC, QB, 12 Vdc out, 468 W, 40~60 Vdc in, TH, flat heatsink | 2.25 kV |
Published: 2015-02-24
| Updated: 2022-03-11

