CUI Inc Novum® NEB-D DC-DC Converter
CUI Novum® NEB-D is a series of 1/8th brick intermediate bus DC-DC Converters with advanced digital control. A 32-bit ARM-based microcontroller and power-optimizing firmware maximizes efficiency and provides peak performance over a wide range of loading conditions. The fully regulated NEB-D series offers configurable power management features via PMBus. Configurable features include output voltage, fault management, and soft start/stop. This series is pin and function compatible with Architects of Modern Power™ (AMP Group) product standards.Features
- Configurable soft start/stop
- Precision delay and ramp-up
- Pin and function compatible with Architects of Modern Power™ product standards
- Voltage margining
- Voltage/current/temperature monitoring
- Droop load sharing with 10% current share accuracy
- Fast feed-forward regulation to manage line transientsConfigurable output voltage
- Optional baseplate for high-temperature applications
- Configurable fault response
- Power good
Specifications
- Eighth-brick package digital PMBus interface 58.4 x 22.7 x 10.2mm (2.299 x 0.894 x 0.402in)
- Industry standard 5-pins for intermediate bus architectures
- Industry-leading power density for telecom and datacom 129~147W / sq. in
- High efficiency 95.2% (typical) at half load, 12Vout
- Fully regulated advanced bus converter from 36~75Vin
- 2250Vdc input to output isolation
- PMBus Revision 1.2 compliant
- 2.9 million hours MTBF
- ISO 9001/14001 certified supplier
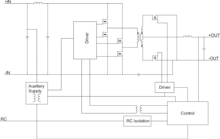
Application Circuit
Published: 2015-02-23
| Updated: 2022-03-11
