C&K Switches PT Sealed Power Toggle Switches
C&K Switches PT Sealed Power Toggle Switches are IP66 / IP68-rated to withstand harsh outdoor environments, intense, wet weather, wind-blown rain, dust, and dirt. The PT switch series is UL 61058-1 certified, providing global acceptance with no need for additional testing. These C&K Switches sealed power toggle switches integrate a panel seal for extra protection and offer superior oil and fuel resistance. The high-strength, heat-resistant housing meets the requirements of demanding applications subjected to vibration and harsh conditions.These switches include double-pole sealed power toggle switches that occupy at least 15% less space behind the panel than the competition. These double-pole switches are designed to meet the conditions for dual ratings against water intrusion, ensuring protection against powerful water jets and complete immersion. The PT switches are rated at 15A for maintained functions and 10A for momentary functions, making it easy for engineers to incorporate these switches into designs.
Features
- IP66 / IP68 versatile rating to withstand harsh outdoor environments
- UL 61058-1 certified
- Integrated panel seal for extra protection
- Superior oil and fuel resistance
- High-strength, heat-resistant housing designed for demanding applications subjected to vibration and harsh conditions
Specifications
- 15A current rating (maintained functions)
- 10A current rating (momentary functions)
- 277VAC / 250VDC voltage rating
- -40°C to +85°C operating temperature range
Applications
- Offroad, construction / agricultrual vehicles
- Material handling equipment
- Articulating, scissor, and bucket lift controls
- Outdoor industrial equipment
- Lift gate controls
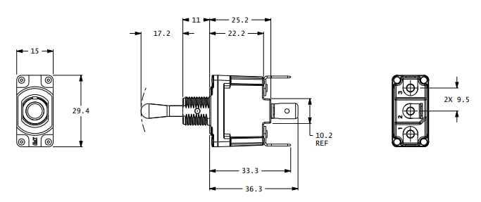
Dimension Diagram
Published: 2018-05-01
| Updated: 2022-09-20
