Central Semiconductor CDMS24783-120 N-Channel SiC MOSFET

Central Semiconductor CDMS24783-120 Silicon Carbide (SiC) N-Channel MOSFET offers a 1200V drain-source voltage for high-speed switching and fast reverse recovery applications. This SiC MOSFET features a 20V gate-source voltage, 18A continuous drain current, 28W power dissipation, and 20A pulsed drain current. The CDMS24783-120 MOSFET supports higher breakdown voltage and better thermal conductivity. This device is available in a TO-247 package with an operating temperature range of -55°C to 175°C. Typical applications include Electric Vehicles (EV), renewable energy systems, and medical imaging equipment.

Features

  • 1200V drain-source voltage
  • 20V gate-source voltage
  • 18A continuous drain current
  • 28W power dissipation
  • -55°C to 175°C operating temperature range
  • TO-247 package case

Applications

  • Electric Vehicles (EV)
  • Renewable energy systems
  • Medical imaging equipment

Typical Output Characteristics

Performance Graph - Central Semiconductor CDMS24783-120 N-Channel SiC MOSFET

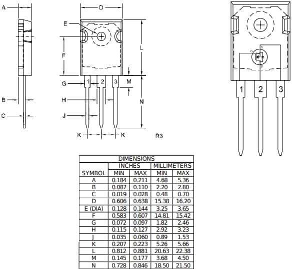
Dimension

Mechanical Drawing - Central Semiconductor CDMS24783-120 N-Channel SiC MOSFET
Published: 2025-02-13 | Updated: 2025-07-21