Bourns SM91542AL BMS Transformer
Bourns SM91542AL BMS Transformer is developed for use with Analog Device’s model LTC6804/681X, NXP’s model MC3377X, and Texas Instruments model BQ79616. This transformer is AEC- Q200 compliant and features a single-channel design with an integrated choke for noise rejection for BMS applications. The SM91542AL transformer has an improved pin auto termination design, replacing the manual termination, helping this transformer achieve better efficiency. Bourns SM91542AL BMS Transformer offers a working voltage of 1000VDC, hipot isolation voltage of up to 4300VDC, and an extended operating temperature range of -40°C to +125°C.Features
- Improved design for automation compared to the model SM91502ALA
- Single channel with integrated choke
- Functional insulation
- Supports serial daisy chain / isoSPI communication
Applications
- Battery management systems
- Energy storage systems
Specifications
- AEC-Q200 compliant
- Up to 1000VDC working voltage
- Up to 4300VDC hipot
- -40°C to +125°C extended temperature range
- Halogen free
- RoHS compliant
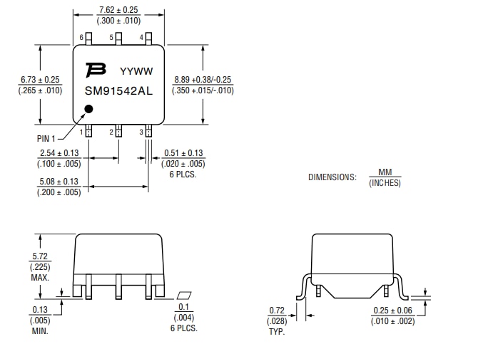
Product Dimensions
Published: 2023-07-28
| Updated: 2023-08-11
