Analog Devices / Maxim Integrated MAX3325xE Isolated 2Tx/2Rx RS-232 Transceivers

Analog Devices MAX3325xE Isolated 2Tx/2Rx RS-232 Transceivers are used in diagnostics equipment, point-of-sale systems, industrial/GPS/medical equipment, and communication systems. These isolated RS-232 transceivers have an integrated charge pump and an inverter to eliminate the need for a high positive and negative voltage supply. The MAX3325xE transceivers feature galvanic isolation of 600VRMS between the logic UART side and field side. The isolation barrier protects the logic UART side from transient electrical strikes from the field side. The barrier also breaks ground loops and significant differences in ground potentials between the two sides that can potentially corrupt the receiving and sending of data. Analog Devices MAX3325xE Isolated 2Tx/2Rx RS-232 Transceivers conform to the EIA/TIA232E standard and operate at data rates up to 1Mbps.

Features

  • High integration saves space and simplifies designs
    • Integrated charge pumps and inverter eliminates extra power supplies
    • Four internal capacitors save PCB space
    • Integrated isolator saves up to 63% compared with a discrete solution
  • Integrated protection for robust communications
    • 600VRMS withstand isolation voltage for 60 seconds (VISO)
    • 200VRMS working voltage for >50 years (VIOWM)
    • Integrated ±15kV ESD human body model (HBM)

Applications

  • Diagnostics equipment
  • Point-of-sale systems
  • Industrial equipment
  • GPS equipment
  • Communication systems
  • Medical equipment

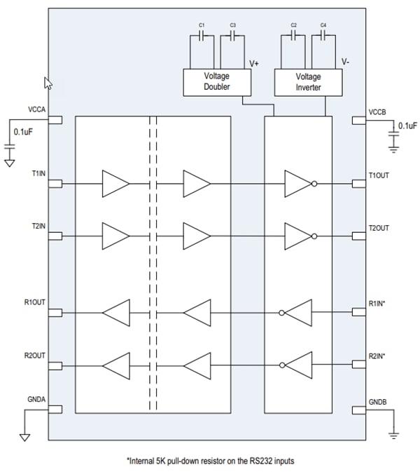
Block Diagram

Block Diagram - Analog Devices / Maxim Integrated MAX3325xE Isolated 2Tx/2Rx RS-232 Transceivers
Published: 2019-01-30 | Updated: 2023-04-21