Analog Devices / Maxim Integrated MAX20310 Ultra-Low Quiescent Current PMIC
Analog Devices MAX20310 Ultra-Low Quiescent Current PMIC with SIMO Buck-Boost is designed for size and efficiency, making it ideal for space-constrained, battery-powered applications. Consisting of two single inductors and multiple-output (SIMO) buck-boosted outputs with two LDOs, the MAX20310 also includes other system power management features. These include a push-button monitor, sequencing controller, reset output, and I2C control interface.The device provides architecture allowing for output voltages above or below the battery voltage. The Analog Devices MAX20310 PMIC operates for use with Zinc Air, Silver Oxide, or Alkaline batteries with battery voltages down to 0.7V. A programmable power controller offers delayed reset signal, voltage sequencing, and customized button timing for on/off control and recovery hard reset. The controller can also configure the device for applications that require true off-state or always-on applications. Operating over the -40°C to +85°C extended temperature range, the Analog Devices MAX20310 Ultra-Low Quiescent Current PMIC is available in a 16-bump 0.4mm pitch 1.63mm x 1.63mm wafer-level package (WLP).
Features
- Extend system battery use time
- Single Inductor, Multiple Output (SIMO) ultra-low IQ buck-boost regulator
- Battery input voltage from 0.7V to 2.0V
- Output voltage programmable from 0.9V to 4.05V
- 250mW maximum total input power
- Incremental CAP quiescent current 1μA per channel
- 84% efficiency for 1.8V, 10mA output
- Input current limited
- Dual ultra-low IQ 50mA LDO
- Inputs supplied by dual buck-boost outputs
- Output programmable from 0.5V to 3.65V
- Quiescent current 1.1μA per LDO/600nA per load switch
- Configurable as a load switch
- Single Inductor, Multiple Output (SIMO) ultra-low IQ buck-boost regulator
- Extend product shelf-life
- Battery seal mode
- 10nA battery current (typ.)
- Battery seal mode
- Minimize board area
- 1.63mm x 1.63mm WLP
- Easy-to-implement system control
- Voltage monitor multiplexer
- 1% accurate battery inverter (±10mV at 1.0V)
- Power button monitor
- Buffered output
- Power sequencing
- Reset output
- I2C control interface
- Voltage monitor multiplexer
Applications
- Wearable medical devices
- Wearable fitness devices
- Portable medical devices
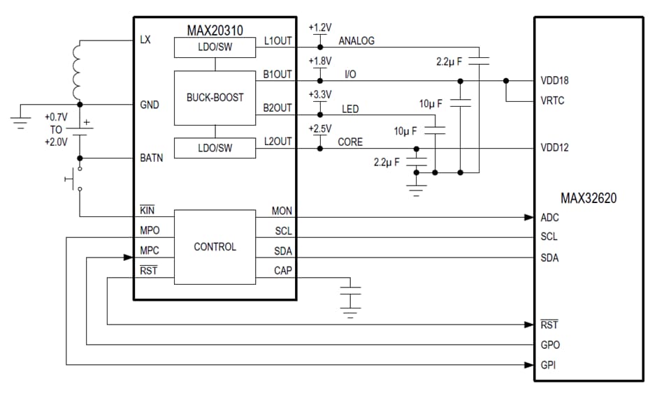
Application Circuit
Published: 2018-04-17
| Updated: 2023-04-12
