Analog Devices Inc. LTC7878 4-Switch Buck-Boost Controller

Analog Devices Inc. LTC7878 4-Switch Buck-Boost Controller is a high-performance switching regulator device operating from an input voltage above, below, or equal to the output voltage. A constant-frequency, peak current mode architecture allows up to 600kHz phase-lockable switching frequency. The programmable input/output current loop regulates the average input/output current to support battery charging applications accurately. A wide 5V to 70V input/output range and seamless, low-noise transitions between operating regions make the LTC7878 ideal for industrial and telecom systems.

The LTC7878 features forced continuous mode (FCM)/pulse-skipping mode operation and supports multiphase/multi-ICs parallel operation for high-power applications. The low-profile 32-lead QFN packaged controller features a programmable inductor peak current limit, smart EXTVCC auxiliary supply, and 7V N-Channel gate drivers. A PGOOD pin indicates when the output is within 10% of its designed set point.

Features

  • Single inductor architecture allows VIN above, below, or equal to the regulated VOUT
  • Synchronous rectification with up to 98% efficiency
  • Wide 5V to 70V VIN range
  • ±1% output voltage accuracy(1V ≤ VOUT ≤ 70V)
  • DCR or RSENSE current sensing
  • Peak current mode control in Buck/Boost/BuckBoost mode
  • Programmable input or output current regulation
  • 7V NMOS gate drivers
  • Phase-lockable frequency (100kHz to 600kHz)
  • Multiphase/multi-ICs parallel operation
  • Selectable continuous or pulse-skipping mode
  • Operation and inductor peak current limits
  • Small 32-lead 5mm2 QFN package
  • -40°C to +125°C operating junction temperature range

Applications

  • Industrial and telecom systems
  • Distributed DC power or battery systems

Typical Application

Application Circuit Diagram - Analog Devices Inc. LTC7878 4-Switch Buck-Boost Controller

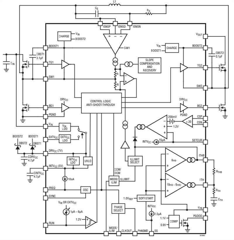
Block Diagram

Block Diagram - Analog Devices Inc. LTC7878 4-Switch Buck-Boost Controller
Published: 2022-12-29 | Updated: 2023-06-06