Analog Devices Inc. LTC7061 100V Half Bridge Drivers

Analog Devices Inc. LTC7061 100V Half-Bridge Drivers drive two N-Channel MOSFETs in a half-bridge configuration with supply voltages up to 100V. Both high-side and low-side drivers of the LTC7061 can drive the MOSFETs with a different ground reference, providing excellent noise and transient immunity.

The ADI LTC7061 100V Half-Bridge Drivers offer powerful 0.8Ω pull-down and 1.5Ω pull-up MOSFET drivers that allow large gate capacitance high voltage MOSFETs. Additional features include UVLO, TTL/CMOS compatible inputs, adjustable turn-on/-off delays, and shoot-through protection.

Features

  • Unique symmetric floating gate driver architecture
  • High noise immunity,tolerates ±10V ground difference
  • 100V Maximum input voltage independent of IC supply voltage VCC
  • 5V to 14V VCC Operating voltage
  • 4V to 14V Gate driver voltage
  • 0.8Ω Pull-down, 1.5Ω pull-up for fast turn-on/off
  • Adaptive shoot-through protection
  • Adjustable dead-time
  • TTL/CMOS Compatible input
  • VCC UVLO/OVLO and floating supplies UVLO
  • Drives dual N-channel MOSFETs
  • Open-drain fault indicator (VCC UVLO/OVLO, gate driver UVLO and thermal shutdown)
  • Available in thermally enhanced 12-LEAD MSOP
  • AEC-Q100 Automotive qualification in progress

Applications

  • Automotive and industrial power systems
  • Telecommunication power systems
  • Half-bridge and full-bridge converters

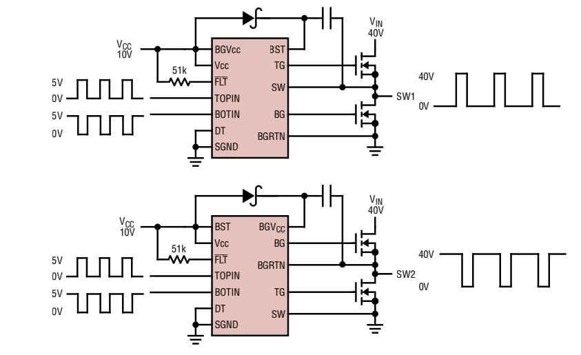
Typical Application

Application Circuit Diagram - Analog Devices Inc. LTC7061 100V Half Bridge Drivers
Published: 2021-03-16 | Updated: 2022-03-11