Analog Devices Inc. LTC2387-16 & LTC2387-18 SAR ADCs

Analog Devices Inc. LTC2387-16 and LTC2387-18 SAR Analog to Digital Converters (ADC) are low noise, high speed, 16- and 18-bit 15Msps successive approximation register (SAR) ADCs designed for a wide range of applications. The LTC2387-16 and LTC2387-18 ADCs are ideal for high-speed imaging and instrumentation applications with the combination of excellent linearity and a wide dynamic range.

The LTC2387-16 and LTC2387-18 SAR ADCs offer a no-latency operation enabling a unique solution for high-speed control loop applications. The very low distortion at high input frequencies allows communications applications needing a wide dynamic range and significant signal bandwidth. The devices feature a serial LVDS digital interface to support high-speed operation while minimizing data lines. The LVDS interface has one-lane and two-lane output modes, allowing the user to optimize the interface data rate for each application.

The Analog Devices Inc. LTC2387-16 and LTC2387-18 SAR ADCs have a 125mW power dissipation and are housed in a 32-pin (5mm × 5mm) QFN package.

Features

  • 15Msps Throughput rate
  • No pipeline delay, no cycle latency
  • 93.8dB SNR (Typ) at fIN = 1MHz (LTC2387-16), 95.7dB SNR (Typ) at fIN = 1MHz (LTC2387-18)
  • 102dB SFDR (Typ) at fIN = 1MHz
  • Nyquist sampling up to 7.5MHz input
  • Guaranteed 16-Bit, (LTC2387-16), guaranteed 18-Bit (LTC2387-18), no missing codes
  • ±0.8LSB INL (Max) (LTC2387-16), ±3LSB INL (Max) (LTC2387-18)
  • 8.192VP-P Differential inputs
  • 5V and 2.5V Supplies
  • Internal 20ppm/°C (Max) reference
  • Serial LVDS interface
  • 125mW Power dissipation
  • 32-Pin (5mm × 5mm) QFN package

Applications

  • High-speed data acquisition
  • Imaging
  • Communications
  • Control loops
  • Instrumentation
  • ATE

Typical Application

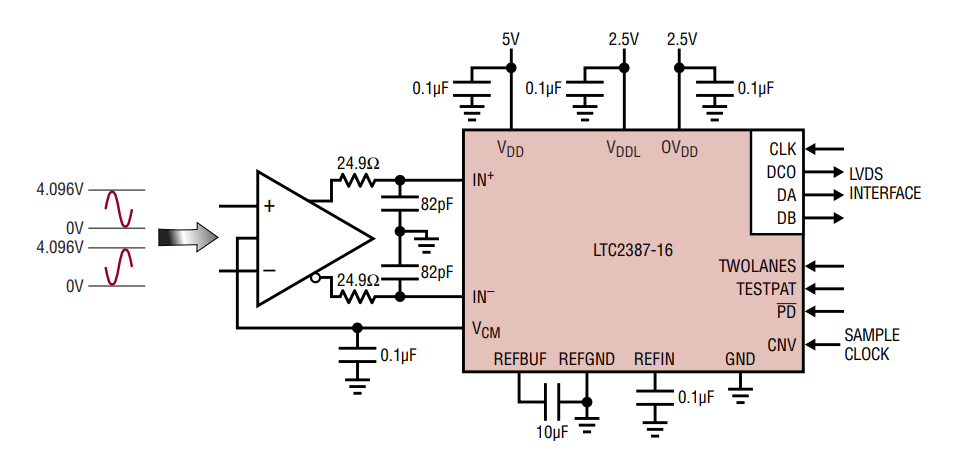
Application Circuit Diagram - Analog Devices Inc. LTC2387-16 & LTC2387-18 SAR ADCs
Published: 2021-08-20 | Updated: 2025-03-25