Analog Devices Inc. LT8650S Synchronous Step-Down Silent Switcher® 2

Analog Devices LT8650S Synchronous Step-Down Silent Switcher® 2 is a dual step-down regulator with a wide input voltage range of 3V to 42V, ideal for automotive, industrial, and other step-down applications. The LT8650S features a low 6.2µA quiescent current with the outputs in regulation, a critical feature in automotive environments where always-on systems can drain the battery even when the car is not running. The Silent Switcher®2 architecture of the LT8650S minimizes EMI emissions while delivering high efficiency at high switching frequencies. This includes the integration of bypass capacitors to optimize high-frequency current loops and make it easy to achieve advertised EMI performance by eliminating layout sensitivity.

The LT8650S delivers up to 4A of continuous current from both channels and supports loads up to 6A from each channel. The fast, clean, low-overshoot switching edges enable high efficiency operation even at high switching frequencies, leading to a small overall solution size. Peak current mode control with a 40ns minimum on-time allows high step down ratios at high switching frequencies.

Burst Mode operation results in high efficiency at low output currents, forced continuous mode allows fixed switching frequency operation over the entire output load range, and spread spectrum operation can further reduce EMI emissions. External VC pins allow optimal loop compensation for fast transient response. The VC pins can also be used for current sharing and the CLKOUT pin enables synchronizing two LT8650S chips to generate a 4-phase, 16A supply.

Features

  • Silent Switcher 2 architecture
    • Ultralow EMI on any PCB and eliminates PCB layout sensitivity
    • Internal bypass capacitors reduce radiated EMI
    • Optional spread spectrum modulation
  • 4A DC from each channel simultaneously
  • Up to 6A on either channel
  • Ultralow quiescent current BurstMode® operation
    • 6.2μA IQ Regulating 12VIN to 5VOUT1 and 3.3VOUT2
    • Output ripple <10mVP-P
  • Optional external VC pin: fast transient response and current sharing (Extra 50µA IQ/channel)
  • Forced continuous mode
  • High efficiency at high frequency
  • 94.6% Efficiency at 2A, 5VOUT from 12VIN at 2MHz
  • 93.3% Efficiency at 4A, 5VOUT from 12VIN at 2MHz
  • 40ns Fast minimum switch-on time
  • 3.0V to 42V Wide input voltage range
  • 300kHz to 3MHz Adjustable and synchronizable
  • LQFN-32 Package type
  • 4mm × 6mm Package dimensions
  • RoHS and WEEE-compliant

Applications

  • General purpose step-down
  • Automotive and industrial supplies

Videos

Comprehensive Power Supply System Designs for Harsh Automotive Environments

Power supplies for automotive applications must perform without failure in harsh conditions—the designer must consider all exigencies, including load dump, cold crank, battery reverse polarity, double battery jump, spikes, and other transients defined in LV 124, ISO 7637-2, ISO 17650-2, and TL82066, as well as mechanical vibration, noise, extremely wide temperature ranges, etc. This article focuses on the critical requirements in automotive power supply specifications and solutions to meeting automotive specifications.

Learn More

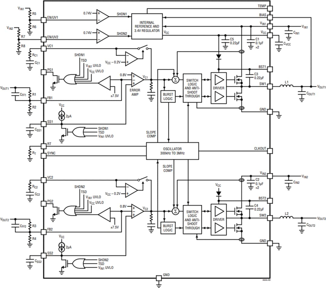
Block Diagram

Block Diagram - Analog Devices Inc. LT8650S Synchronous Step-Down Silent Switcher® 2

Typical Application Circuit

Application Circuit Diagram - Analog Devices Inc. LT8650S Synchronous Step-Down Silent Switcher® 2
Published: 2019-05-22 | Updated: 2025-06-03