Analog Devices Inc. LT8228 Bidirectional Buck Boost Controller IC
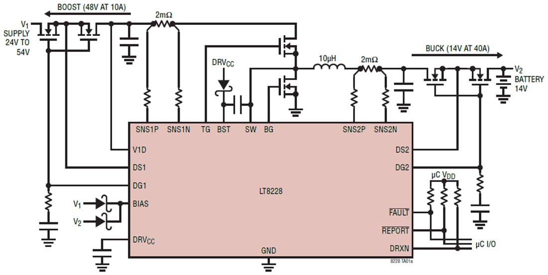
Analog Devices LT8228 Bidirectional Buck/Boost Controllers are 100V constant-current or constant-voltage synchronous buck or boost controllers with an independent compensation network. The direction of the power flow is automatically determined by the Analog Devices LT8228 or externally controlled. The input and output protection MOSFETs protect against negative voltages, control inrush currents, and provide isolation between terminals under fault conditions such as switching MOSFET shorts. In buck mode, the protection MOSFETs at the V1 terminal prevent reverse current. In boost mode, the same MOSFETs regulate the output inrush current and protect themselves with an adjustable timer circuit breaker.The LT8228 offers bidirectional input and output current limit as well as independent current monitoring. Masterless, fault-tolerant current sharing allows any LT8228 in parallel to be added or subtracted while maintaining current sharing accuracy. Internal and external fault diagnostics and reporting are available via the FAULT and REPORT pins. Analog Devices LT8228 Bidirectional Buck/Boost Controller are available in a 38-lead TSSOP package.
Features
- Bidirectional voltage or current regulation
- Bidirectional reverse current protection
- Input and output negative voltage protection to -60V
- Bidirectional inrush current limit and Boost output short protection
- Switching MOSFET short detection and protection
- 10V gate drive
- Wide input and output voltage range up to 100V
- Feedback voltage tolerance: ±1.0% over temperature
- Bidirectional programmable current regulation and monitoring
- Extensive self-test, diagnostics and fault reporting
- 80kHz to 600kHz programmable fixed or synchronizable switching frequency
- Programmable soft-start and dynamic current limit
- Masterless, fault-tolerant current sharing
Applications
- Dual battery automotive and industrial systems
- High power system backup and supply stabilization
- "N+1" redundant, high-reliability power supplies
- Power interrupt protection system
Videos
Typical Application
Published: 2019-11-26
| Updated: 2025-02-17
