Analog Devices Inc. HMC641A GaAs MMIC SP4T Non-reflective Switches
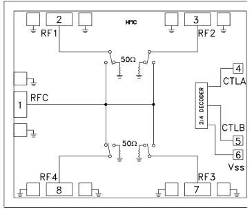
Analog Devices HMC641A includes non-reflective, broadband GaAs PHEMT SP4T switch chips covering the DC to 18GHz range. HMC641A provides high isolation at 42dB @ 12GHz and a low insertion loss of 2.1dB @ 12GHz. An on-board binary decoder circuit reduces the required number of logic control lines to two.HMC641A operates with a negative 0/-5V control voltage and requires a fixed -5V Vss bias. The chip test all data in a 50Ω test fixture connected through one 3.0 x 0.5mil gold ribbon of the minimal length on each RF port. Available in a compact 1.92 x 1.60 x 0.10mm package, HMC641A is well-suited for telecom infrastructure, microwave radio & VSAT, military & space hybrids, and test instrumentation.
Features
- Broadband Performance: DC - 18GHz
- High Isolation: 42dB @ 12GHz
- Low Insertion Loss: 2.1dB @ 12GHz
- Integrated 2:4 TTL Decoder
- Small Size: 1.92mm x 1.60mm x 0.10mm
Applications
- Telecom Infrastructure
- Microwave Radio & VSAT
- Military & Space Hybrids
- Test Instrumentation
Block Diagram
Published: 2016-11-03
| Updated: 2022-03-11
