Analog Devices Inc. EVAL-CN0422-EBZ Circuit Evaluation Board

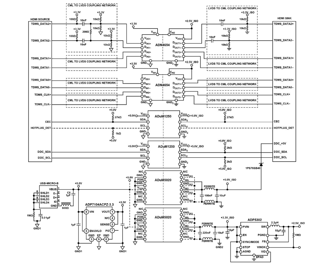
Analog Devices Inc. EVAL-CN0422-EBZ Circuit Evaluation Board offers galvanic isolation of the HDMI 1.3a protocol using iCoupler® isolation technology. iCoupler technology isolates the low voltage differential signaling (LVDS) physical layer at data rates over 1Gbps, reducing complexity in systems requiring isolation and high bandwidth. The EVAL-CN0422-EBZ Circuit provides a completely isolated connection between a High-Definition Multimedia Interface (HMDI) source and an HDMI sink device. Isolation in this circuit increases system safety and robustness by protecting against electrical line surges. The isolation also breaks the ground connection between the bus and digital pins, removing possible ground loops within the system.

The EVAL-CN0422-EBZ Circuit Evaluation Board enables start-up communication sequence through the ADN4654, ADuM1250, and ADuM5020 devices between the HDMI source and HDMI sink. The board also incorporates the ADP7104 LDO and the ADP5302 step-down regulator.

Features

  • Support HDMI 1.3 at 720p/60Hz
  • 2500V galvanic isolation
  • Powered through USB
  • iCoupler isolation technology

Videos

Block Diagram

Block Diagram - Analog Devices Inc. EVAL-CN0422-EBZ Circuit Evaluation Board
Published: 2019-10-30 | Updated: 2024-04-26