Analog Devices Inc. EV-ADF4382A Evaluation Board

Analog Devices Inc. EV-ADF4382A Evaluation Board is designed to evaluate the ADF4382A frequency synthesizer with an integrated Voltage-Controlled Oscillator (VCO) for Phase-Locked Loops (PLLs). This board includes a USB™ interface, power supply connectors, onboard reference oscillator, propagation delay calibration paths, and Sub-Miniature Version A (SMA) connectors. The EV-ADF4382A evaluation board output is AC-coupled with 50Ω transmission lines, suitable for driving 50Ω impedance instruments. This evaluation board is ideal for test and measurement, high-performance data converter clocking, and wireless infrastructure (MC-GSM, 5G, and 6G).

Features

  • Self-contained evaluation board, including the ADF4382A frequency synthesizer with integrated VCO, loop filter, USB interface, onboard reference oscillator, propagation delay calibration paths, and voltage regulators
  • Windows® based software allows control of synthesizer functions from a PC
  • Externally powered by 6V

Applications

  • High-performance data converter clocking
  • Wireless infrastructure (MC-GSM, 5G, and 6G)
  • Test and measurement

Required Equipment

  • A Windows-based PC with USB™ port for the evaluation software
  • A system demonstration platform, serial-only EVAL-SDP-CS1Z controller board (SDP-S)
  • 6V power supply
  • Spectrum analyzer or phase noise analyzer
  • 50Ω terminators
  • Low noise input reference (REFIN) source (optional)

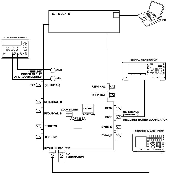
Evaluation Board Setup Diagram

Analog Devices Inc. EV-ADF4382A Evaluation Board
Published: 2024-02-05 | Updated: 2024-07-05