Analog Devices Inc. DC2922A-A/DC2922A-B Demo Circuits for LTC7802

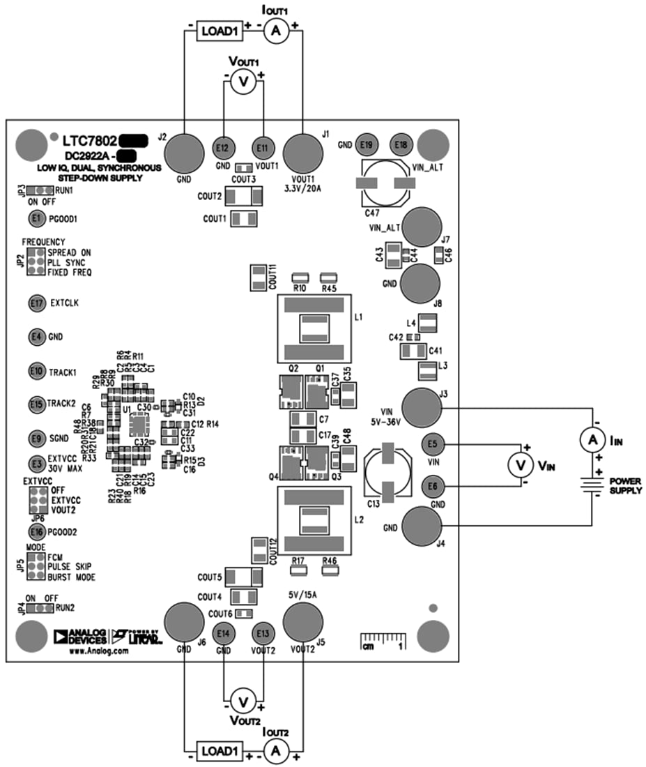
Analog Devices Inc. DC2922A-A/DC2922A-B Demonstration Circuits are dual step-down DC/DC converters featuring the LTC®7802 or LTC7802-3.3 PWM controllers. Both controller IC’s used on these demo boards are 40V Low IQ, Dual, 2-Phase Synchronous Step-Down Controllers with Spread Spectrum. And both demo boards operate over a 5V to 36V input voltage range and provide 3.3V at 20A and 5V at 15A outputs. The DC2922A-A uses the LTC7802 and has a resistor divider network to set the 3.3V output. The DC2922A-B uses the LTC7802-3.3 and has a fixed 3.3V output without requiring the resistor divider network.

Some of the key features of the Analog Devices Inc. DC2922A-A/DC2922A-B boards include a FREQUENCY jumper for spread-spectrum or external clock option. It also has an EXTVCC jumper for VOUT2, EXTVCC, or input derived VCC, a MODE jumper that allows the converter to run in FCM, pulse-skipping, or Burst Mode® operation and PGOOD signals for each output. The two channels can be paralleled for higher output current.

Equipment Setup

Mechanical Drawing - Analog Devices Inc. DC2922A-A/DC2922A-B Demo Circuits for LTC7802
Published: 2021-08-06 | Updated: 2022-03-11