Analog Devices Inc. ADPD188GG Integrated Optical Module

Analog Devices ADPD188GG Integrated Optical Module is a complete photometric system designed to measure optical signals from ambient light and from synchronous reflected light emitting diode (LED) pulses. Synchronous measurement offers best-in-class rejection of ambient light interference, both DC and AC. The module integrates a highly efficient photometric front end, two LEDs, and two photodiodes (PD). All of these items are housed in a custom package that prevents light from going directly from the LED to the photodiode without first entering the subject.

Features

  • 3.8mm × 5.0mm × 0.9mm module with integrated optical components
  • 2 green LEDs, 2 PDs with IR cut filter
  • 2 external sensor inputs
  • 3 370mA LED drivers
  • 20-bit burst accumulator enabling 20 bits per sample period
  • An onboard sample to sample accumulator enabling up to 27 bits per data read
  • Custom optical package made to work under a glass window
  • Optimized SNR for signal limited cases
  • I2C or SPI communications

Applications

  • Optical heart rate monitoring
  • Reflective SpO2 measurement
  • CNIBP measurement

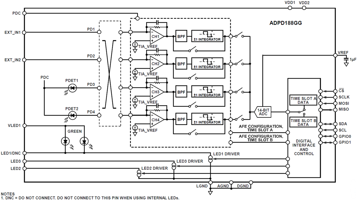
Functional Block Diagram

Block Diagram - Analog Devices Inc. ADPD188GG Integrated Optical Module

Videos

Published: 2018-10-08 | Updated: 2023-08-29