Analog Devices Inc. ADL6331-EVALZA Evaluation Board

Analog Devices ADL6331-EVALZA Evaluation Board features manual control of the ADL6331 via the USB port on a Microsoft® Windows® PC through an SDP-S interface board, which is sold separately. The ADI ADL6331 transmit variable gain amplifier (TxVGA) provides an interface from RF digital-to-analog converters (RF DACs) to a single-ended power amplifier (PA) signal chain. The ADL6331-EVALZA Evaluation Board is fully featured with an easy-to-use interface with ACE software.

Features

  • Full-featured evaluation board for the ADL6331-EVALZA
  • Single-supply operation
  • Easy to use interface with Analysis | Control | Evaluation (ACE) software

Required Equipment

  • 3.3V DC power supply
  • EVAL-SDP-CS1Z (SDP-S)
  • Signal generator
  • Spectrum analyzer
  • Network analyzer (optional)
  • Microsoft Windows PC with a USB port

Software

Typical Measurement Setup

Application Circuit Diagram - Analog Devices Inc. ADL6331-EVALZA Evaluation Board

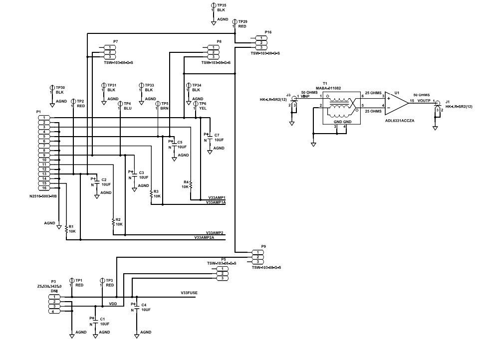
Schematic

Schematic - Analog Devices Inc. ADL6331-EVALZA Evaluation Board

Layout

Location Circuit - Analog Devices Inc. ADL6331-EVALZA Evaluation Board
Published: 2024-05-07 | Updated: 2024-06-25