Analog Devices Inc. AD7682 & AD7689 16-Bit 250kSPS PulSAR ADCs
Analog Devices Inc. AD7682 and AD7689 16-Bit 250kSPS PulSAR Analog-to-Digital Converters (ADCs) are designed for multi-channel, low-power data acquisition applications. These highly integrated devices contain all the components required, including a 16-bit Successive-Approximation-Register (SAR) ADC with no missing codes, a 4-channel (AD7682) or 8-channel (AD7689) low crosstalk multiplexer, an internal low drift reference and buffer, a temperature sensor, a selectable one-pole filter, and a channel sequencer. These components are configured through an SPI-compatible, 14-bit register. Conversion results, also SPI compatible, can be read after or during conversions with the option for reading back the configuration associated with the conversion.The AD7682 and AD7689 ADCs provide the user an on-chip track-and-hold and do not exhibit pipeline delay or latency. These devices are specified from 2.3V to 5.5V and can be interfaced with any 1.8V to 5.0V digital logic family.
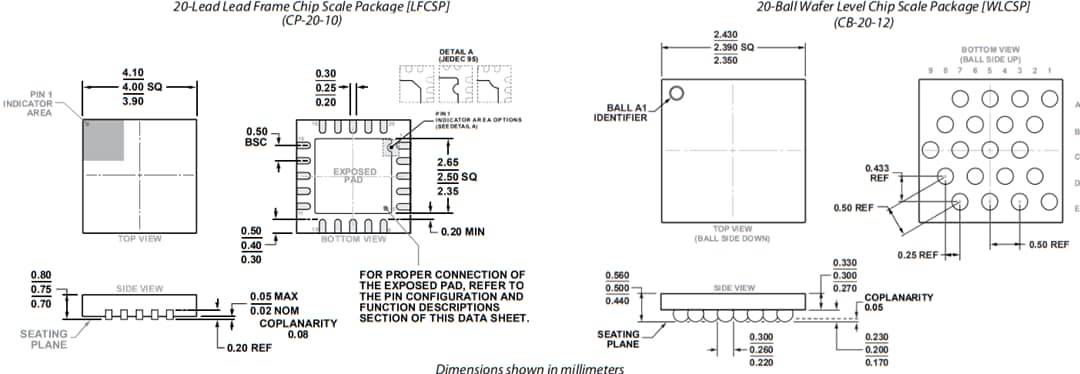
The Analog Devices AD7682 and AD7689 are available in a tiny 20-lead lead frame chip scale package (LFCSP) or 20-lead wafer level chip scale package (WLCSP) with operation specified from -40°C to +85°C. The AD7689 includes an extended temperature range model with specifications guaranteed to a maximum temperature (TMAX) of +125°C.
Features
- 16-bit resolution with no missing codes
- 4-channel (AD7682)/8-channel (AD7689) multiplexer with a choice of inputs
- Unipolar single-ended
- Differential (GND sense)
- Pseudo-bipolar
- 250kSPS throughput
- INL: ±0.4LSB typical, ±1.5LSB maximum (±23ppm or FSR)
- 93.8dB dynamic range
- 92.5dB at 20kHz signal to noise and distortion (SINAD)
- -100dB at 20kHz total harmonic distortion (THD)
- Analog input range of 0V to VREF with VREF up to VDD
- Multiple reference types
- Internal selectable 2.5V or 4.09V
- External buffered (up to 4.096V)
- External (up to VDD)
- Internal temperature sensor (TEMP)
- Channel sequencer, selectable 1-pole filter, busy indicator
- No pipeline delay, SAR architecture
- Single-supply 2.3V to 5.5V operation with 1.8V to 5.5V logic interface
- Serial interface compatible with SPI, MICROWIRE, QSPI, and DSP
- Power dissipation
- 3.5mW at 2.5V/200kSPS
- 12.5mW at 5V/250kSPS
- Standby current: 50nA
- Operating temperature range
- AD7682/AD7689: -40°C to +85°C
- AD7689C: -40°C to +125°C
- Package options
- LFCSP-20 (4mm × 4mm)
- WLCSP-20 (2.4mm × 2.4mm)
- RoHS compliant
Applications
- Multichannel system monitoring
- Battery-powered equipment
- Medical instruments: ECG/EKG
- Mobile communications: GPS
- Power line monitoring
- Data acquisition
- Seismic data acquisition systems
- Instrumentation
- Process control
Block Diagram
Typical Application Circuits
Package Outline
Published: 2019-12-19
| Updated: 2024-03-05
