Analog Devices Inc. LT8708x 4-Switch Buck-Boost Controllers

Analog Devices LT8708x 4-Switch Buck-Boost Controllers are designed to operate from an input voltage that can be above, below, or equal to the output voltage. These controllers use the four resistors on the PCB to independently set the forward input, reverse input, forward output, and reverse output. The LT8708x controllers feature synchronous rectification, 80V bi-directional capability, six independent forms of regulation, and forward and reverse discontinuous conduction modes.

The LT8708-1 regulator controllers are paralleled with the LT8708 controller to add power and phases to an LT8708 system. These regulator controllers always operate as a slave to the master LT8708 and can deliver as much current or power as the master. The LT8708x controllers simplify bidirectional power conversion in battery/capacitor backup systems and other applications that may need regulation of VOUT, VIN, IOUT, and/or IIN. Typical applications include high voltage buck-boost converters, bidirectional charging systems, and automotive 48V systems.

Features

  • 80V bidirectional capability
  • VIN can be above, below, or equal to VOUT
  • Six independent forms of regulation:
    • VIN current (forward and reverse)
    • VOUT current (forward and reverse)
    • VIN and VOUT voltage
  • Power flows in either direction
  • Ideal for redundancy in same voltage dual battery automotive applications
  • Up to 99% efficiency in synchronous rectification
  • Ideal for high capacity batteries
  • Forward and reverse discontinuous conduction mode supported
  • Supports MODE and DIR pin changes while switching
  • 2.8V to 80V VINCHIP range
  • 1.3V to 80V VOUT range
  • Can also be used with super capacitors
  • Available in 40-Lead (5mm x 8mm) QFN with high-voltage pin spacing

Applications

  • High voltage buck-boost converters
  • Bidirectional charging systems
  • Automotive 48V systems

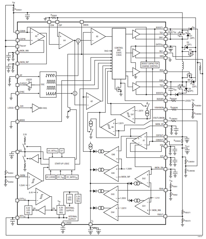
Block Diagram

Block Diagram - Analog Devices Inc. LT8708x 4-Switch Buck-Boost Controllers

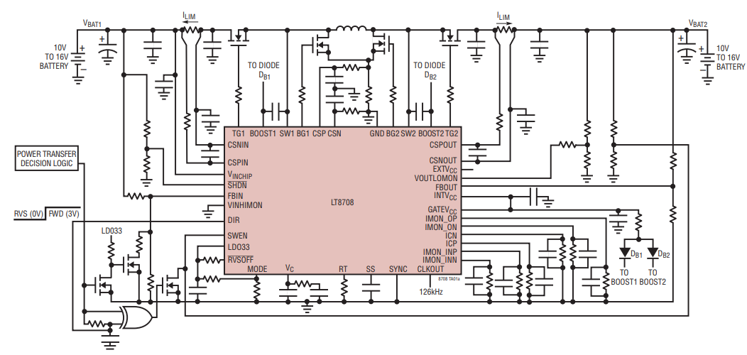
Typical Application Circuit

Application Circuit Diagram - Analog Devices Inc. LT8708x 4-Switch Buck-Boost Controllers

Videos

Published: 2019-01-07 | Updated: 2023-07-27