Allegro MicroSystems A5947 Three-Phase Sensorless Fan Driver ICs

Allegro MicroSystems A5947 Three-Phase Sensorless Fan Driver ICs consist of a sensorless sinusoidal drive to minimize vibration for various fan applications. Sensorless control on the device eliminates the need for Hall sensors. The device also integrates a flexible closed-loop speed control system. EEPROM is used to accommodate the standard functions of the fan speed curve to a specific application, excluding the requirement for a microprocessor-based system while minimizing programming requirements.

The Allegro MicroSystems A5947 Three-Phase Sensorless Fan Driver ICs are housed in a 20-lead TSSOP with an exposed thermal pad (suffix LP).

Features

  • AEC-Q100 qualified
  • Speed curve configuration via EEPROM
  • I2C serial port
  • Sinusoidal modulation for reduced audible noise and low vibration
  • Sensorless (no Hall sensors required)
  • Low RDS(ON) power MOSFETs
  • 3.3V / 20mA linear regulator
  • PWM or analog speed input
  • FG speed output
  • Slew rate control
  • Lock detection
  • Soft start
  • Low power standby mode
  • Overcurrent protection
  • Overvoltage protection

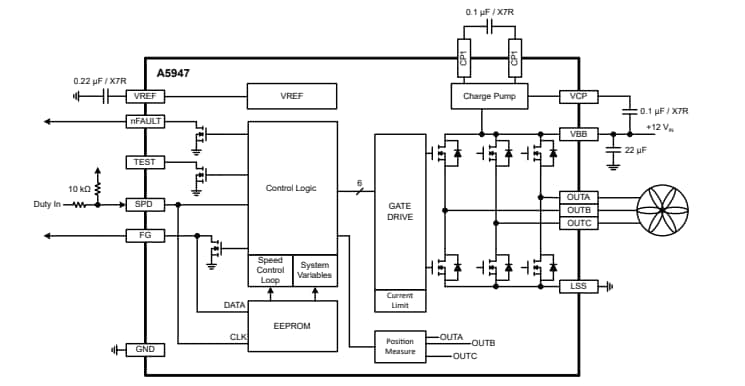
Typical Application

Application Circuit Diagram - Allegro MicroSystems A5947 Three-Phase Sensorless Fan Driver ICs
Published: 2022-06-21 | Updated: 2023-09-07